Product Center
SY8816 Sample Application
General Description

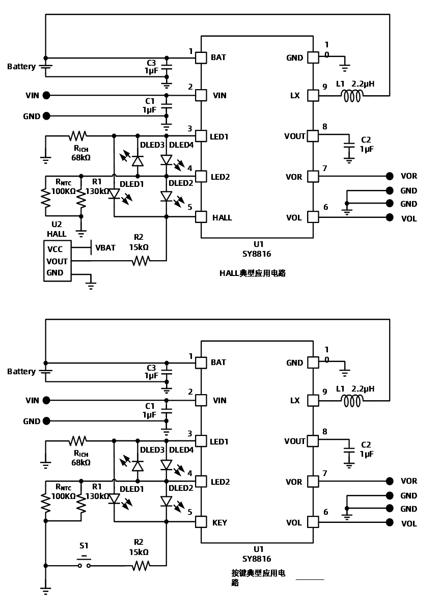
SY8816是一款专为蓝牙耳机充电仓设计的单芯片解决方案IC。芯片内部集成充电管理模块、LED电量显示模块、同步升压放电管理模块、充放电过温保护模块,其中放电模块集成两路输出限流开关,提供了独立的负载检测与输出电流检测,简化了外围电路及器件数量,为蓝牙耳机充电仓的应用提供更简单易用的解决方案。
SY8816采用SSOP10封装。

Features

VIN管脚耐压可达30V

线性充电,充电电流150mA~500mA可调

支持涓流/恒流/恒压充电

充电状态根据芯片温度调节充电电流,无过热危险下实现充电速度最大化

充电截止电流0.1* ICC,自动再充电

自适应适配器调节充电电流

支持4.2V、4.35V两个版本的浮充电压,精度±1%

支持边充边放功能

支持负载自动识别,支持轻载自动关机

同步升压输出电流0.2A

待机功耗:3.4μA

放电输出过流、短路、过压、过温保护

2/4灯LED电量显示、充放电指示,自动识别2/4灯电路

支持自动识别按键/HALL功能,当识别为按键功能时,短按开启放电,长按关闭放电,当识别为HALL时,可用HALL芯片直接驱动芯片

NTC充放电温度保护

Typical Application Circuit Diagram
Applications

蓝牙耳机充电仓

便携式锂电池应用

小容量锂电池充/放电应用

其他低功耗设备应用